欢迎访问上海丹臻机电科技有限公司网站!我司专注「碳刷」「刷握」「集电环」等机电配件20余载,欢迎来电咨询!

联系我们
Contact Us
上海丹臻机电科技有限公司
座机:021-68889895
手机:18918328182 
联系人:张经理
QQ:763202114
邮箱:sales@chdanzhen.com
地址:上海市临港智能制造工业园区
官网:http://www.chdanzhen.com
H型刷握
刷握[DZ-BHH250320H002]
刷握[DZ-BHH250320H002]
上一篇:刷握[恒压刷握] 下一篇:刷握[DZ-BH100320H001]

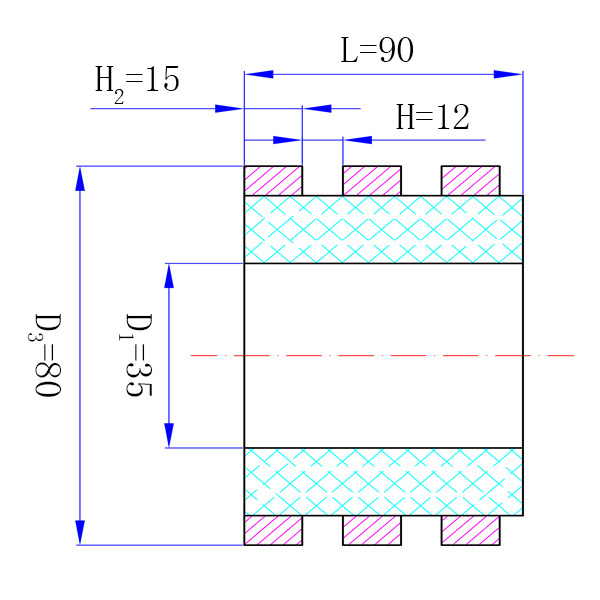
刷握型号:DZ-BHH250320H002

刷握规格:25x32刷握

刷握介绍:

刷握[DZ-BHH250320H002]是水力发电机组最为常用的一款刷握,属于上海丹臻热销推荐刷握[碳刷架],配套匹配型号的碳刷[电刷]、集电环[滑环]及恒压簧等机电配件广泛用于发电机组,造纸机械,铁路交通,冶金设备、起重机设备等多个行业的机电设备中。

为适配不同的碳刷和集电环及刷握客户的不同要求,此系列的刷握还衍生出多种结构不同系列刷握,各行业的刷握用户可以根据产品要求进行选配。我司也可根据客户提供的具体刷握的技术要求进行选型匹配,并根据刷握用户的要求提供配套的电刷[碳刷]、集电环、恒压簧等相关机电配件,欢迎广大刷握用户垂询!

刷握图片:

DZ-BHH250320H002-07.jpg                      DZ-BHH250320H002-11(刷握总成).jpg


欢迎来电或添加我们的微信垂询,无论您是想咨询碳刷、刷握、集电环[滑环]价格;还是想了解电刷、刷握、集电环、恒压簧型号规格; 或者您遇到了关于电刷、刷握、滑环、恒压簧等电机配件的任何相关问题,您随时都可以得到我司销售服务团队专业、热情的解答。
上海丹臻机电科技有限公司
电 话:021-68889895
手 机:18918328182
Q Q:763202114
邮 箱:sales@chdanzhen.com
地 址:上海市临港智能制造工业园区
官 网:http://www.chdanzhen.com
碳刷[DZ-CBJ20120032001]
碳滑块[DZ-CBJ204165030001]
刷握[定制刷握]
集电环[DZ-YR006]
恒压簧[DZ-SPH25032004]
碳刷[DZ-CBJ20120032002]
碳刷架[DZ-BHH250320H005]
刷握[DZ-BH100320H001]
电机碳刷刷/电刷[20x40x60]
  • 返回顶部
  • 021-68889895
  • QQ客服
  • 扫一扫加我微信
    碳刷厂家